
一 产品描述
地埋式阀门是一种可以直接埋入地下,无需垒砌窨井的阀门类型,能够直接埋入地下,从而减少了路面开挖的面积,保持了路面美观,同时也降低了施工难度和工程造价。
预埋式阀门的安装便捷,启闭方便,通过地面上传动杆的操作即可实现开启和关闭,且地面下沉不会影响其正常工作。此外,预埋式阀门采用承插式连接,能有效缓解地面沉降对阀门的不良影响,确保了阀门的稳定运行和使用安全。
二 技术参数
1、开闭次数:>500次
2、工作压力:1.0MPa-1.6MPa3、
3、防护等级;IP68
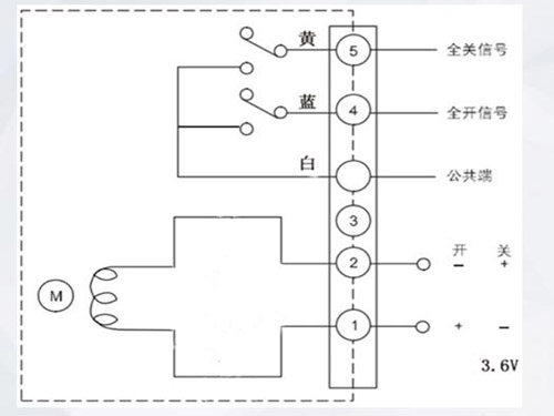
4、执行器:五线
5、密封性能:无泄漏
6、动作时间:60s~180s
7、驱动电压:DC3.6V DC12V AC220V
8、口径 DN50-DN200
9、立杆可根据实际需求选择加长(80cm / 120cm / 150cm)等
10、通讯可选用4G 远传/ LORA远传/ NB远传/ IC卡/ 有线远传/纯五线阀体

(五线阀接线示意图)

三 产品特色
* 阀门全密封,结构紧凑,防水性能好;
Ø 阀门外壳上有透明窗,可以直接的显示阀门的开关状态。
Ø 阀门具有应急开关功能,在电动部分失效情况下可手动打开阀门
Ø 阀门全部采用球墨铸铁材质,阀板使用304不锈钢,防腐蚀良好,增加使用寿命;
Ø 对于埋地管线可采用加长杆,加长杆长度可按要求定制,不会增加阀门的扭矩
Ø 价格优势明显,可用于灌溉、污水处理等,重量轻、操作方便
Ø 供电方式灵活,太阳能板供电或者电池供电(可内置3内ER34615电池,开关阀次数达800多次)
Ø 对于管道井较深是可做成外挂式,既可以增加信号强度又免去了下井的烦恼
Ø 可做成刷卡式、无线远传控制、有线控制,还可以配合水表做预付费管理
Ø 太阳能板可固定在阀门上,可根据安装方位调整太阳能板方向,实现能量zui大化利用
* 口径从DN50-DN200,采用低功耗、大扭矩减速机。速比27000:1和70000:1两种。供电电压3.6V,6V,12V可选
四 细节展示

可选用塑料阀头

可选用高压铸铝阀头

开关指示

不锈钢阀板

地埋杆可根据需要加长