
一 产品描述
对夹式蝶阀结构简单、体积小、重量轻,只由少数几个零件组成。适应于安装空间小,有成本控制的项目。在特定的场合可以完全取代法兰式蝶阀。
二 技术参数
* 开闭次数:>500次
* 工作压力:1.0MPa-1.6MPa3、
* 防护等级;IP68
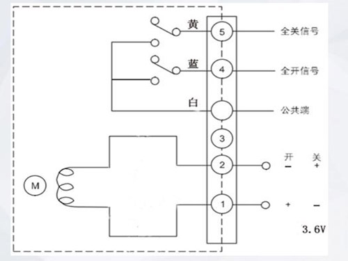
* 执行器:五线
* 密封性能:无泄漏
* 动作时间:60s~180s
* 驱动电压:DC3.6V DC12V AC220V
*口径 DN50-DN200
* 通讯可选用4G 远传/ LORA远传/ NB远传/ IC卡/ 有线远传/纯五线阀体

(五线阀接线示意图)

三 产品特色
* 阀门全密封,结构紧凑,防水性能好;
* 阀门外壳上有透明窗,可以直接的显示阀门的开关状态。
* 阀门具有应急开关功能,在电动部分失效情况下可手动打开阀门
* 阀门全部采用球墨铸铁材质,阀板使用304不锈钢,防腐蚀良好,增加使用寿命;
* 价格优势明显,可用于灌溉、污水处理等,重量轻、操作方便
* 供电方式灵活,太阳能板供电或者电池供电(可内置3内ER34615电池,开关阀次数达800多次)
* 对于管道井较深是可做成外挂式,既可以增加信号强度又免去了下井的烦恼
* 可做成刷卡式、无线远传控制、有线控制,还可以配合水表做预付费管理
* 太阳能板可固定在阀门上,可根据安装方位调整太阳能板方向,实现能量大化利用
* 口径从DN50-DN200,采用低功耗、大扭矩减速机。速比27000:1和70000:1两种。供电电压3.6V,6V,12V可选
四 细节 展示

可选用塑料阀头

可选用高压铸铝阀头

不锈钢阀板